QUIENES SOMOS
SERVICIOS
ASESORAMIENTO
CONSTRUCCION
DECORACION
DETALLES
MATERIALES
CONTACTO
DETALLES
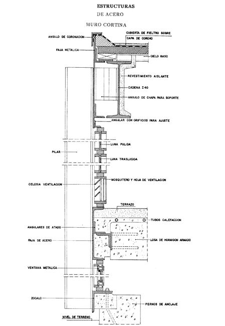
Acondicionamiento de terreno y Estructuras
Cimentaciones y Revestimientos
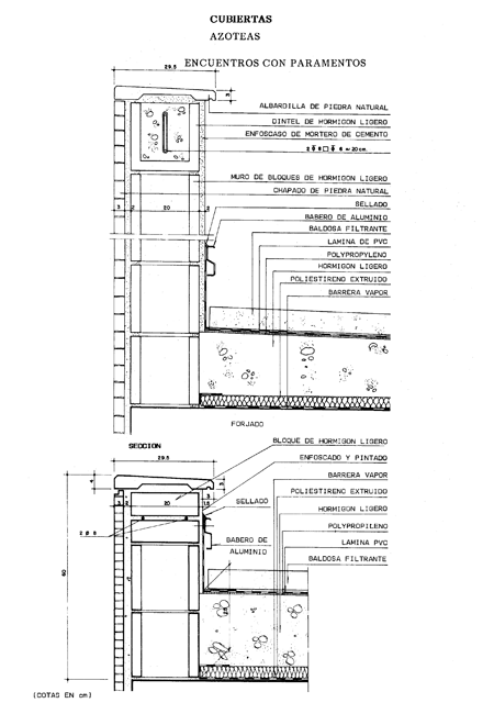
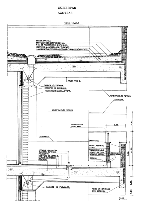
Cubiertas
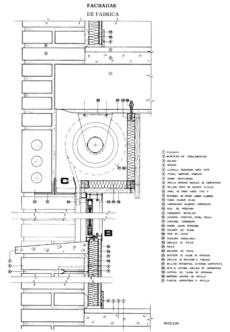
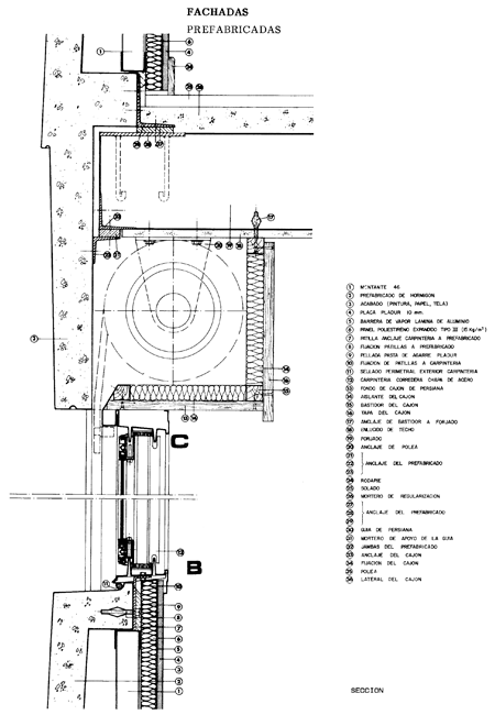
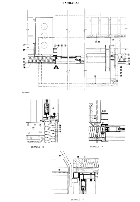
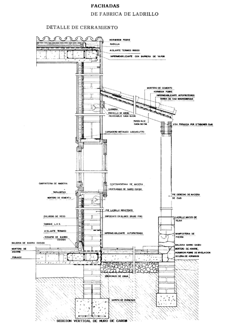
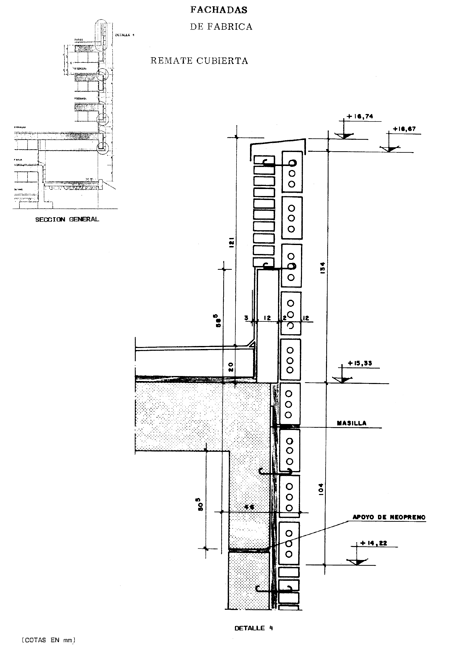
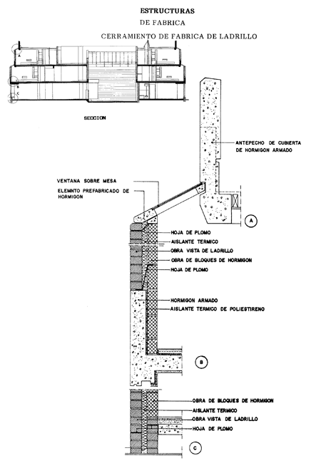
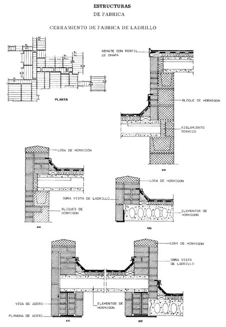
Fachadas
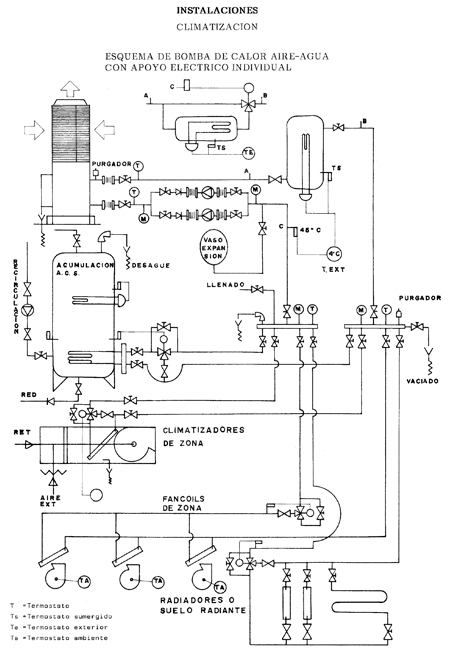
Instalaciones y Particiones
Materiales y elementos auxiliares
YAP Technology